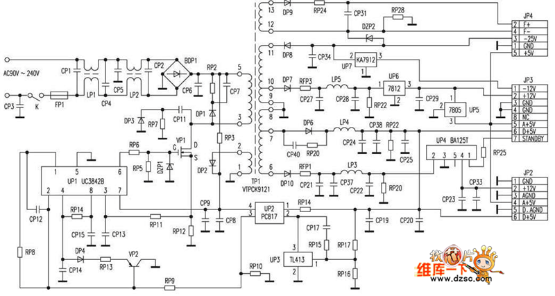
Схемы блоков питания siemens - найдено 30 изображений
Найдено изображений: 30
Смотрите также
- Scratch готовые проекты скачать
- Как утеплить пол не снимая старый
- Как поменять формат экрана на телевизоре
- Где находится остров гидра блокс фрукт
- Крыша военная ул 1 новосибирск фото
- Индивидуальный проект 10 класс с опросом
- Как поменять лампочку форд эксплорер 5
- Как снять эмблему мерседес с капота
- Как снять магнит с телефона для держателя
- Основные признаки государства таблица
- Схема управления заслонки печки
- Покажи фото максима горького
- Периодическая таблица менделеева в хорошем
- Лунный календарь для посева томатов
- Проект дома 9 на 12 одноэтажный
- Таблица время восхода солнца на год
- Проект икс смотреть бесплатно на русском
- Физическое расположение компьютеров сети относительно друг
- Чертежи мебели для дома своими руками
- Нива шевроле 2 года схема предохранителей
