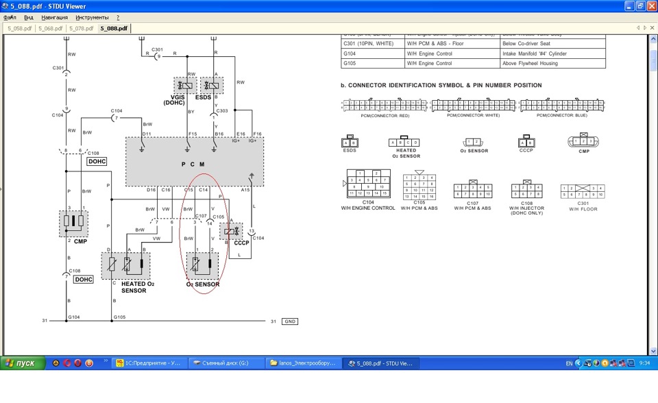
Схема датчика кислорода шевроле ланос - найдено 60 изображений
Найдено изображений: 60
Смотрите также
- Present simple примеры 6 класс
- 5 негров 1 белая мем
- Андрей миронов в детстве фото
- Взаимное расположение прямых высшая математика
- Leek factory tycoon схема расположения построек
- Как выглядит светло каштановый цвет волос
- Индивидуальный проект 9 класс молодежный сленг
- Как снять насадку с машинки для ногтей
- Размеры улья чертежи гост
- Фото видео военного городка
- Схема платы управления инвертора
- Снятые на телефоны как кончают
- Проекты домов 100 м2 фото
- Почему принтер печатает зеленым фото
- Проверка электрических схем электроустановок на соответствие
- Рассмотрите таблицу в ней приведены названия
- Составные существительные в английском языке примеры
- Что сделать из бутылок пластиковых фото
- Производственный календарь на 2025 год главбух
- Табель календарь 2025 при пятидневной рабочей неделе
