Найти
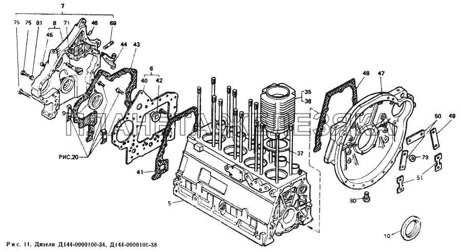
Картер дизеля Т-40М Как снять двигатель с трактора
< Предыдущая
Фото - 54
Следующая >
Все фото на тему:
Как снять двигатель с трактора