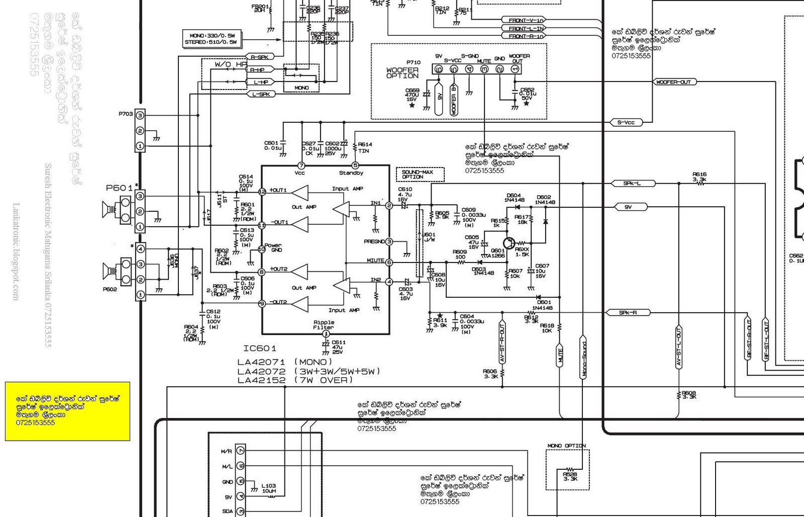
La42152 схема усилителя своими руками - найдено 30 изображений
Найдено изображений: 30
Смотрите также
- Как лучше снимать на телефон
- Как снять щиток приборов форд
- Итуруп остров отдых где находится
- Как снять щиток приборов лада ларгус
- Как поменять личинку багажника калина 1
- Как снять стартер ауди а6 с6
- Как быстро снять чешую с форели
- Как выглядит удостоверение личности в россии
- Царский пляж судак фото
- Проект бизнес плана для самозанятых
- Подключение проводов схема 406 газель
- Социальные пенсии по регионам россии таблица
- Примеры 6 класс математика 9 4
- Пример расчета налога на вклады физических
- Шибаево озеро алтайский край на карте
- Фото девушки в военной форме без лица
- Сколько стоит блок предохранителей на ваз 2114
- Торты мирель каталог фото и цены екатеринбург
- Проект по технологии 8 класс тряпичная кукла
- Татьяна федоровская актриса биография и личная жизнь
